Радиаторы охлаждения
Большинство светодиодных осветительных приборов выпускается с радиаторами охлаждения. Наличие этого элемента – признак высокого качества устройства. В данных изделиях отводится специальное посадочное место, а радиатор используется для отвода тепла. Периодически нужно проводить замену термопасты. Если этого не делать, то со временем радиатор потеряет свою эффективность и плата или блок перегорит. Разберите устройство и убедитесь в том, что термопаста нанесена на обе плоскости посадочного места.
При необходимости самостоятельно тонким слоем нанесите специальную смазку на всю поверхность посадочного места. Чересчур большое количество термопасты сказывается на теплоотдаче так же негативно, как и ее отсутствие. Для увеличения тепловой отдачи можно прикрутить к радиатору дополнительную алюминиевую пластинку, при этом убедитесь, что она не перекрывает основной воздушный поток.

Качественный ремонт светодиодных источников света своими руками возможен при условии соблюдения правил безопасности и наличии конструктивной схемы электроприбора. В статье были подробно описаны основные причины и типы неисправностей, даны рекомендации по их поиску и устранению.
Разновидности схем и их особенности
Существует 3 схемы драйверов светодиодных ламп, это варианты создания оптимального напряжения в устройствах на светодиодах. Они отличаются сборкой драйвера. Он может быть собран на основе схемы с понижающим трансформатором, такой вариант применяется в мощных и ярких лампах.

Более дешевый вид – сборка по схеме с конденсатором.

А третий вариант используется для схем с большим количеством диодов или при сборке диммируемых ламп. Их называют инверторные схемы.

Вариант N1 – с конденсаторами для снижения напряжения
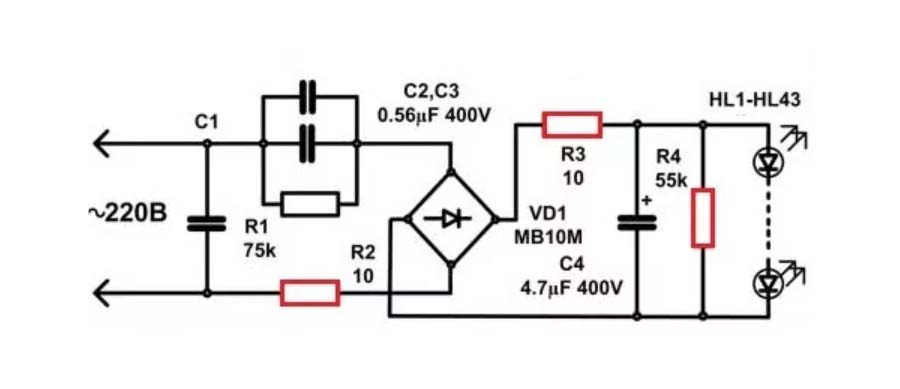
Это самый распространенный тип сборки, который используется в бытовых лампочках. Основными элементами для снижения напряжения выступают конденсаторы С2, С3 и резистор R1. Во время включения лампы резисторы R2 и R3 предохраняют прибор от короткого замыкания и ограничивают ток. Встроенный защитный диод VD1 нужен для преобразования напряжения.

Резистор R4 разряжает прибор, когда ток перестает поступать. В некоторых конструкциях для светодиодных ламп используются не все 4 резистора, а других их комбинации. Такую схему можно сделать и своими руками, используя новые и старые детали.

Преимущества схемы светодиодных ламп с конденсатором:
- невысокая стоимость;
- разнообразные значения напряжения на выходе;
- простая сборка.
Недостатки:
- Поскольку гальваническая развязка отсутствует, есть вероятность удара током. Поэтому во время ремонта ламп запрещено прикасаться к токоведущим частям, находящимся под фазой.
- Напряжение на нагрузке диодов зависит от напряжения входящего тока. Светодиоды могут перегореть, потому что нет стабильной величины подачи электричества.
- Из-за достаточно малой емкости конденсаторов не получится достичь большого светового потока.
Вариант N2 – с импульсным драйвером
Импульсный драйвер гарантированно защищает диоды от помех в подаче тока и перепадов напряжения. Это его главное отличие от драйвера с конденсатором. В данной схеме используются конденсаторы, резисторы и мостовой выпрямитель.

Практически у каждого производителя светотехнического оборудования существует своя схема устройства. Рассмотрим для примера микросхему СРС9909 компании Clare. Она используется для энергосберегающих и экономичных приборов, эффективность применения составляет 98%.

Для сборки своими руками такая схема может использоваться при мощности светильников не более 25В. Широко применяется в электросетях резервного и аварийного освещения.

Преимущества:
- Питание схемы может происходить напрямую от 550В.
- Драйвер комплектуется встроенным стабилизатором.
- Возможность работы в сети с переменным напряжением. Входной диапазон в зависимости от типа модели может быть от 5 до 65В.
- Широкий температурный диапазон применения: от -55°С до +85°С.
- Компактность.
- Высокий КПД в сочетании с низким уровнем пульсации.
Недостатки:
- Более сложная схема, чем с применением линейной конструкции.
- Более высокая стоимость по сравнению с вариантом с конденсатором.
- Нагревается при работе, значительные длительные перегревы могут приводить к уменьшению срока эксплуатации.
- Для предотвращения электромагнитных помех, источником которых является импульсный драйвер, необходимо устанавливать дополнительный фильтр. В дешевых вариантах он не используется.
- Образует нелинейную нагрузку на сеть.
Вариант N3 – с диммируемым драйвером
Схема подключения светодиодной лампы с диммируемым драйвером позволяет регулировать яркость свечения. С помощью ламп с использованием такой схемы можно варьировать степень освещенности помещения или рабочей зоны. Такие схемы широко используются в интерьерном освещении.


Различают 2 основных варианта диммируемых драйверов. Первый работает с ШИМ-управлением. Он монтируется между блоком питания и лампой. В этом случае электричество подается в виде разных по длительности импульсов. Часто такие схемы используются в бегущих строках.

Второй вариант используется для приборов со стабилизированным током, в этом случае драйвер воздействует напрямую на источник тока. Изменение цвета свечения происходит при регулировании подаваемого тока. При увеличении подачи электричества белые диоды начинают светиться синеватым, а при уменьшении излучают желтоватый свет.

По виду управления устройства с диммером могут быть:
- кнопочные;
- механические;
- дистанционные.

Преимущества:
- Простота реализации.
- Возможность регулирования освещения.
- Приемлемая стоимость.
Недостатки:
- Некоторые диммеры с ШИМ-управлением имеют стробоскопические эффекты, которые могут быть очень опасными в промышленности.
- Высокий уровень излучаемых помех.
- Повышенная утомляемость зрения.
Как разобрать
Ремонт светодиодной лампочки начинается с того, что ее надо разобрать. Вакуума в ней нет, так что это возможно. Светорассеиватель и цоколь обычно без проблем отделяются. Они соединяются при помощи насечек на различных частях.

В большинстве своем части светодиодной лампы держатся на защелках
Есть два варианта. Более простой при разборке и более сложный. В простом детали лампы соединены только за счет механических защелок. В более сложном кроме защелок есть еще и силикон, который обеспечивает водонепроницаемость лампы. Такие экземпляры можно эксплуатировать при повышенной влажности. Разбирать светодиодную лампу нужно так:
- Зажать в руках цоколь и повернуть против часовой стрелки радиатор. Светорассеиватель снимается точно также.
- В некоторых ЛЭД лампочках соединения залиты силиконом. В этом случае поворачивай, не поворачивай, ничего не двигается. Присмотревшись, можно увидеть герметик. В этом случае нужен растворитель. Его набираете в шприц (без иголки или с толстой иглой), аккуратно вводите жидкость по периметру. Выдержать его надо 5-10 минут, после чего снова повторить попытку. С первого раза обычно не получается разобрать светодиодную лампочку, но три-четыре захода помогают.
Платы внутри лампы или вставляются в пазы, или также держатся на защелках. Их проще отодвинуть плоской отверткой, одновременно выдавливая плату вверх. Усилия не должны быть чрезмерными, так как защелки пластиковые и могут сломаться.
Ремонт шунтированием
Проще
всего это сделать при помощи капельки олова. Кто-то припаивает сюда тоненький
проводок или даже накладывает кусочек фольги.
Но
все это сложнее и менее надежно.
Поэтому
берете паяльник, подносите олово и капаете на место, где раньше стоял
светодиод.
А
если нет под рукой паяльника, что делать в этом случае?
Возьмите
олово, которое продается в виде тонкой проволоки на катушке, разогрейте его “реактивной”
газовой зажигалкой и капните на контактную площадку.
Если нет в наличии ни паяльника, ни олова, можно попробовать капнуть токопроводящий клей.
Весь
ремонт со вскрытием лампы займет у вас не более 5 минут. Для проверки
работоспособности можете не ставить колбу на место, а прямо так вкрутить
лампочку в патрон и включить свет.
Особой
разницы в свечении вы даже не заметите.
Причины выхода из строя
Почему вообще сгорают светодиодные лампы, если, как заявляют производители светодиодов, ресурс светоизлучающих полупроводников составляет минимум 15-20 тысяч часов? Практически все драйверы не имеют механических элементов и контактов, значит, у них наработка на отказ должна быть не меньше. Но лампы горят, порой не выработав даже свой гарантийный срок, и это факт. Причин поломки лампочки может быть несколько:
- Производственный брак. Увы, от этого никто не застрахован. Особенно, если производители комплектующих и светодиодов – наши китайские братья, работающие в гараже и на коленках.
- Неправильная эксплуатация. К примеру, плохая вентиляция в закрытом светильнике. В таких источниках света лампа перегревается, и тут уж выйти из строя может все что угодно – от драйвера до светодиодов. Сюда же можно отнести пыль, влагу, «искрящий» выключатель, выключатель с подсветкой и т. п.
Мнение эксперта
Алексей Бартош
Специалист по ремонту, обслуживанию электрооборудования и промышленной электроники.
Задать вопрос эксперту
Если в твоем выключателе стоит подсветка, то это верный путь к быстрой гибели светодиодной лампы. Либо снимай подсветку, либо вкрути в один из рожков люстры обычную лампочку накаливания любой, даже самой малой мощности.
Такая подсветка выключателя удобна, но вызывает «подмигивание» светодиодной лампы и сокращает срок ее службы в десятки раз
Плохое питание. Если напряжение постоянно скачет или оно ненормально завышено, тут даже самый качественный драйвер может «потерять терпение». Сюда же отнесем постоянные выбросы напряжения, к примеру, при пуске мощных моторов или сварочного оборудования, и импульсные помехи.
В этой китайской лампе «драйвер» примостился прямо на плате со светодиодами, а радиатором тут даже не пахнет
Это интересно: Влияние теплого пола на человека
Разборка светодиодной лампочки с герметиком
Далеко не все изделия легко и просто разобрать, не повреждая составных частей. Попробуйте повернуть верхнюю часть корпуса. Если ничего не получается, придется воспользоваться растворителем. Наберите некоторое количество растворителя в шприц и через иголку выдавите вдоль шва. Подождите около 5 – 10 минут, затем повторите операцию.
Проделайте действия не менее трех раз, затем начните поворачивать верхнюю часть корпуса в разные стороны, чтобы раскачать ее. Когда колба будет снята, очистите внутренние стенки, удалив герметик и обезжирив поверхности. Если устройство будет эксплуатироваться в помещении с невысоким уровнем влажности, герметик не накладывается.

Ремонт
Светодиодную лампу можно отремонтировать независимо от причин выхода из строя. Чтобы это сделать, нужно разобрать изделие на части и добраться до начинки. Для начала удаляется рассеиватель, выполняющий несколько функций. Компонент либо крепится к базовой части через герметик, либо удерживается с помощью защелки. Если элемент будет поворачиваться отдельно от корпуса, для снятия достаточно в нужном месте надавить.
Выше было описано, что нужно делать, если рассеиватель надежно приклеен к корпусу. Добавим к применению растворителя возможность удаления корпуса при помощи тонкой отвертки: аккуратно подденьте, не прикладывая больших усилий.
Неремонтопригодны светодиодные лампы со стеклянными колбами, поскольку удалить подобный рассеиватель без повреждений практически нереально.

Замена блока питания
В комнатах с повышенным уровнем влажности используются осветительные приборы низкого напряжения — 12 или 24 В, которые подключаются к общей электрической сети 220 В. Для понижения высокого напряжения переменного тока до необходимых значений постоянного используются стабилизирующие блоки питания, которые могут выйти из строя.
Причиной поломки блока питания может стать повышенная нагрузка (если суммарная мощность используемых светильников превышает допустимую для стабилизатора) или неправильно подобранная степень защиты от проникновения пыли и влаги (IP). Чтобы починить данные изделия, следует обратиться в специализированные сервисные центры, поскольку в бытовых условиях восстановить их нереально (требуется определенное оборудование и знания радиоэлектроники). Единственный вариант — поменять блок питания.
Во время замены стабилизатора светодиодная лампа должна быть полностью отключена от сети питания — перерезаны провода или отключены клеммы. Не надейтесь исключительно на выключатель. Обязательно отключите напряжение через распределительный щиток квартиры.
Мощность для стабилизирующего блока питания должна быть выше суммарного значения подключаемых ламп. После отключения вышедшего из строя элемента подключите новый в соответствии с коммутирующей схемой. Найти ее можно в технической документации к оборудованию. Процесс максимально прост, поскольку провода имеют цветовую, а контакты — буквенную маркировки.

Степень защиты от пыли и влаги для ванной комнаты должна быть не менее IP45.
Замена светодиодов
Чтобы максимально упростить процедуру, воспользуйтесь паяльной станцией/феном. Паяльником действовать труднее, но можно.
Большинство устройств состоят из нескольких светодиодов, соединенных последовательно. Если выходит из строя хотя бы один, перестает работать целая группа или весь источник света. В таком случае, если под рукой нет подходящего светодиода, сгоревший можно заменить обычной перемычкой. Помните, что из-за перемычки лампа проработает недолго, но так можно выиграть немного времени на покупку нужного элемента. Чем меньше общее число светодиодов, тем быстрее лампа с перемычкой выйдет из строя.

В современных осветительных приборах используются SMD-диоды, которые могут быть выпаяны из ленты. При замене убедитесь, что купили деталь с идентичными техническими параметрами.
Ремонт драйвера
Если вышел из строя драйвер, изучите его конструкцию. Электронная плата может состоять из нескольких SMD-диодов, размер которых гораздо меньше, чем у жала паяльника. В таком случае нужно выбрать паяльник с медной проволокой на жале. Выполните выпаивание сгоревшего элемента и подберите подходящий по характеристикам или маркировке.
Никогда не удаляйте с платы все детали разом. Вы можете не запомнить их правильное расположение и впоследствии перепутать. Действуйте следующим образом: выпаяйте один диод, проверьте его работоспособность, а затем верните на место. Повторите то же самое для остальных элементов.

Жизнь первая
История этой светодиодной лампы Gauss началась на заводе в далекой стране, жители которой называют её Срединным Государством (или проще — пуп земли). В общем была обычная лампа на 12 Вт 220 вольт, которая после долгих странствий на кораблях и грузовиках попала ко мне в дом. Несколько лет она освещала рабочий стол, или даже можно сказать «освящала творческое место», пока при очередном включении окончательно не погасла.
Можно конечно выкинуть и купить новую, но учитывая цену в 10 раз выше чем у ламп накаливания, есть смысл попробовать её реанимировать. К тому же интересно посмотреть что там внутри…
Красота и многофункциональность
Новые ЛЭП люстры смотрятся очень красиво и рассчитаны на выполнение различных операций по переключению яркости освещения, изменению цвета, включению освещения при входе человека, музыкальному сопровождению. Конструктора наделили новые осветительные приборы красотой, многофункциональностью и работой от выключателя и пульта управления. Обычно в них должны гармонично функционировать лампы накаливания и светодиоды, выполняя любые режимы работы, которые желает хозяин:
- выполнение команды по освещению только всеми или половиной ламп накаливания;
- совокупное свечение половины ламп накаливания с отдельным уровнем светодиодов;
- освещение всех лам накаливания и всех светодиодов;
- функционирование только светодиодных ламп;
- другие варианты освещения, изменения цвета, в зависимости от количества уровней и возможностей.
Осветительный прибор должен исправно выполнять все эти функции через пульт управления (иногда бывает 2 пульта) и исполнять основные действия через выключатель.

схема энергосберегающей светодиодной люстры

схема светодиодной люстры

устройство и схема подключения люстры

устройство контроллера
Ремонт светодиодных ламп своими руками: устройство и принцип работы
Прежде чем решить, как разобрать светодиодную лампу, нужно разобраться с ее устройством. Конструкция данного источника освещения не сложна: светофильтр, плата питания и корпус с цоколем.
На схеме изображено подобное устройство конструкции
В дешевых изделиях часто используются конденсаторы, которые призваны ограничивать напряжение и ток. В лампочке присутствует 50-60 светодиодов, которые представляют собой последовательную цепь. Они образуют светоизлучающий элемент.
Принцип работы изделий похож с функционированием полупроводниковых диодов. При этом ток от анода к катоду перемещается только прямо. Что способствует возникновению потоков света в светодиодах. Детали обладают незначительной мощностью, поэтому лампы производятся со множеством светодиодов. Чтобы убрать неприятные ощущения от производимых лучей используется люминофор, который устраняет этот недочет. Прибор устраняет нагрев от точечных светильников, так как световые потоки снижаются при потерях тепла.
Как работает конструкция можно увидеть на представленной схеме
Драйвер в конструкции используется для подачи напряжения к диодным группам. Они применяется в качестве преобразователя. Диодные детали представляют собой полупроводники незначительного размера. Напряжение перемещается на специальный трансформатор, где производится некоторое замедление рабочих параметров. На выходе образуется постоянный ток, который позволяет включить диоды. Установка дополнительного конденсатора позволяет предотвратить пульсацию напряжения.
Не всегда неисправность светодиодов можно определить, не демонтируя корпус
Светодиодные лампы бывают разных видов. Они различаются по особенностям устройства, а также по количеству деталей полупроводников.
Кратко об устройстве и принципе работы
Стандартная светодиодная лампа состоит из таких элементов, как:
- Цоколь – вкручивается в патрон, имеет контакты для подведения электрического тока.
- Драйвер – устройство для регулировки напряжения, контроля перегрева, выпрямления переменного тока в постоянный, обеспечения работы LED-лампы в определенном диапазоне напряжений.
- Радиатор – охлаждение мощных светодиодов в фирменных бытовых и промышленных лампочках.
- Светодиоды – полупроводниковые кристаллы, которые светятся при прохождении постоянного тока в одном направлении. Переменный ток без драйвера для них губителен.
- Рефлектор и рассеиватель – приборы, помогающие равномерно и наиболее качественно распространить свет под максимальным углом (или специально заданным для особых видов лампочек).
Принцип работы очень прост: из сети через контакты на драйвер подается переменный ток, там он выпрямляется и направляется на светодиоды. Излишки тепла выводятся с помощью радиатора или платы, на которой расположены светодиоды.
Несмотря на огромное разнообразие светодиодных ламп, нашедших применение во всех сферах современной жизни, их строение идентично и отличается только визуально. В светодиодных светильниках присутствует трансформатор (иногда в дополнение к драйверу, а иногда и вместо него).
Устройство стандартной светодиодной лампочки
Более подробно об устройстве светодиодных ламп, назначении каждого элемента и принципе работы можно прочитать в отдельной статье, посвященной конкретно этим вопросам.
Определение причины неисправности
Существует несколько причин неисправности led-лампы, поэтому, прежде чем приступать к ремонту, необходимо определить, почему она мерцает или вовсе не горит.
Первое, что нужно сделать, если не горит светодиодная лампа — выкрутить её из патрона и вкрутить на её место другую (необязательно led). И, если она загорится, значит, причина неисправности в самой лампе.
Поиск неисправных светодиодов
Убедиться в исправности/неисправности светодиодов можно с помощью мультиметра. Переключите его в режим прозвонки и последовательно проверьте все светодиоды. Для этого прикладывайте щупы к контактам каждого кристалла.
Для поиска пробитых светодиодов также можно использовать батарейку на 3-4 В с припаянными контактами Соблюдая полярность, прикладывайте провода к диодам. Исправные кристаллы будут гореть, а пробитые нет.
Светодиодная лампа начала мигать как стробоскоп
Если лампа не потухла окончательно, а мерцает, её также можно отремонтировать.
Причины мерцания led-ламп:
- Слабый конденсатор или его отсутствие. Проблему можно решить, поставив более мощный элемент. Если напряжение конденсатора составляет 100 В, а диодов — 180 В, первое значение следует повысить в 1,5-2 раза.Второй вариант решения проблемы — параллельное подключение второго конденсатора (с целью увеличения суммарной ёмкости и мощности).
- Перегрев драйвера. Причина — некачественная вентиляция. Лампа из-за перегрева начинает мерцать и мигать, а когда выйдет из строя токоограничивающий резистор, и вовсе потухнет.
Если светодиоды целые
Если все светодиоды исправны, а лампа не горит, скорее всего, повреждения связаны повреждением элементов драйвера — резисторов, микросхем, диодного моста и т. д.
В этом случае, рядовому пользователю проще купить новую лампу, так как ремонт старой потребует определённых знаний, умений и навыков. Но, прежде чем выбрасывать лампу, вскройте плату со светодиодами и загляните внутрь.
Чтобы разобрать лампу, снимите силикон, выкрутите винты и отпаяйте провода «+/-». Сборка может быть на подпружиненных контактах или на припаянной перемычке. Именно она часто перегорает из-за плохого контакта.
Замена светодиодов
При замене светодиодов нужно соблюдать полярность
Если причиной выхода лампы из строя является сгоревший диод, проводится его замена на исправную деталь. Эту процедуру следует выполнять в такой последовательности:
- Включить паяльник, предварительно уложив его на негорючую подставку.
- Пометить, где находится плюсовой и минусовой провод. Отсоединить планку с кристаллами от корпуса. Делается это с помощью паяльника путем расплавления контактов.
- Зажать плату в держателе. Захватить неисправный кристалл пинцетом или хирургическим зажимом.
- Поднести паяльник к контактам на обратной стороне детали. Одновременно тянуть диод в сторону от основания.
- Отделить сгоревшую деталь. Аналогичным образом выпаять рабочий кристалл с платы донора.
- Зачистить окалину с того места на радиаторе, где находился сгоревший диод.
- Подготовить исправную деталь к установке. Для этого его контакты подгоняются по ширине к отверстиям на плате, после чего обрабатываются канифолью и оловом.
- Вставить новый элемент контактами в отверстия. Необходимо действовать внимательно, соблюдая полярность.
- Поднести паяльник с каплей припоя к каждому проводу и зафиксировать их на основании.
- Обработать место пайки лаком для защиты от коррозии.
- Восстановить слой теплопроводной пасты. Установить плату на радиатор.
- Припаять провода к контактам.
- Проверить работоспособность изделия путем его присоединения к переноске или настольной лампы с выключателем. Если возникли проблемы, выполнить доработку путем замены диодов или деталей драйвера.
- Приклеить колпак к основанию. Для этого лучше использовать силиконовый клей. Пользоваться отремонтированным изделием можно через пару часов.
Принцип работы драйвера в лампе на светодиодах
Драйвер считается ключевой деталью светодиодной лампы, он по сути выступает общим блоком питания, осуществляет процесс нейтрализации перепадов напряжения, а уже постоянный ток именно данный элемент перенаправляет непосредственно на диоды, которые уже и формируют излучение света.
Драйверы бывают конденсаторными или же электронными. Каждый вариант имеет свои определенные достоинства и недостатки. Электронные драйверы применяются на современных и высококачественных дампах брендовой продукции люксового сегмента, такие элементы ломаются редко. А вот конденсаторные, которые используются в бюджетных лампах, нередко требуют замены или же припоя соединений.
Схемы драйверов для светодиодов от сети 220в
Специализированные схемы драйверов четко определяют структуру соединения и работы. Базовый вариант предполагает, что переменное напряжение, которое попадает из сети, обязательно должно быть предварительно выпрямлено, для чего применяется светодиодный мост (есть во всех схемах). На схеме значением C1 и C2 обозначаются конденсаторы сглаживающего характера. При этом первый вариант представляет собой электролит, емкость которого составляет 22 мкФ, а напряжение 400В, второй конденсатор изготавливается из керамики и имеет такие параметры: 0,1мкФ, 25В. Микросхема провоцирует генерацию импульсов, которые осуществляют процесс закрытия и открытия транзистора силового формата Q1. В технической документации к светодиодной лампе непременно должна присутствовать такая схема (нарисована, с описанием всех ключевых узлов).
Особенности ремонта led ламп
Основой ремонта считается грамотное диагностирование. Чаще всего достаточно осуществить припой контактов, в определенных случаях провоцируется необходимость замены ключевых узлов.
Ремонт светодиодного светильника
Если вы не знаете, как отремонтировать светодиодную лампу, вы можете изучить нашу статью, а также просмотреть рекомендованное видео, которое вы найдете ниже. Выполнение качественного ремонта, который гарантирует в дальнейшем исправность изделия и его длительную эксплуатацию, начинается с детальной подготовки;
- Демонтаж светильника;
- Изучение технической документации;
- Подготовка приборов (список перечислен выше);
- Приобретение мультиметра для проверки контактов;
- Проведение ремонтных работ в зависимости от проблемы;
- Замена драйвера или же блока питания при необходимости.
Ремонт светодиодных люстр
- Приспособление снимается с потолка или же стены;
- Корпус прибора снимается;
- Изучается схема электронная (чаще всего дефекты являются видимыми);
- Удаляется плафон и другие украшения декоративного формата;
- Выкручиваются лампочки, производится диагностика цоколя на предмет прогоревших мест (зачистка может быть осуществлена простым ножом);
- Заново выполняется процесс сбора, подтяжки винтов, проверка всех контактов.
Ремонт светодиодной ленты
Если не горит вся лента, то нужно проверить подключение блока питания к розетке, проверить напряжение, осуществить процесс анализа целостности провода. Осуществляется проверка блока питания. В лентах именно блок питания страдает чаще всего, и чаще всего его нужно будет просто заменить. Если лента горит частично, то проблема с дорожками. Часть сегментов могла выйти из строя. Их можно заменить, для этого потребуется паяльник и припой.
При мерцании ленты – полной или же частичной, нужно осуществить проверку блока питания, а также осуществить процесс изучения ленты на предмет чрезмерного изгиба. При проблеме с блоком осуществляется его ремонт или же замена, если поврежден определенный сегмент, проводится процесс замены диодов. Если же часть сегментов потухла, но диоды целые, это может отражать проблему с резистором. Нужно осуществить проверку цепи последовательно, чтобы найти участок повреждения и осуществить замену.
Ремонт светодиодных фонарей и прожекторов своими руками
Проведение ремонта является стандартной процедурой. Осуществляется визуальный осмотр, снимается корпус, проверяются все элементы поэтапно. В случае необходимости контакты очищаются и припаиваются, в случае серьезной поломки осуществляется замена резисторов, диодов, драйвера, блока питания и пр.
Техника безопасности при ремонте светодиодных ламп на 220 в
Учитывая, что необходимо произвести ремонт прибора, который работает от сети, то обязательно нужно соблюдать и технику безопасности. Рассматриваемые нами лампы обладают бестрансформаторным питанием, все имеющиеся в устройстве элементы во время работы находятся под напряжением, которое может нести угрозу жизни
Исходя их этого важно соблюдать следующие предосторожности:
- В процессе перепайки и при необходимости провести любые измерения обязательно нужно следить, чтобы лампа была отключена;
- При наличии разрядных резисторов, которыми зашунтированы конденсаторы все равно необходимо по завершению ремонта вручную проводить разрядку конденсаторов. Сделать это можно, если закоротить выводы конденсатора, используя любой металлический инструмент, который оснащен диэлектрической ручкой;
- По завершению ремонта если производится первое включение лампы, берегите глаза. В ряде случаев некоторые элементы в лампе могут взорваться, поэтому лучше предусмотрительно отстраняться или отворачиваться;
- Внимательно следите за паяльником и не забывайте его выключать при перерывах. Не нужно класть включенный паяльник на предметы, которые могут вызвать воспламенение.
Зная все особенности светодиодных лампочек можно сделать выводы о принципах их работы и соответственно, при необходимости осуществить правильный ремонт
Важно все ремонтные процедуры совершать с соблюдением правил безопасности
Рекомендуем также просмотреть видео по данной теме:
Типы светодиодов
Рассмотрим, какие светодиоды используются в лампах. В настоящее время существует огромное количество подвидов и групп, которые являются типами светодиодных осветительных приборов, но к самым основным видам относятся следующие:
- Слаботочный сверх яркий источник и smd-светодиод. Такие варианты очень часто используются в качестве индикаторов. Светодиод может быть собран на одном кристалле без использования линзы или на нескольких кристаллах с применением общей линзы.
- COB-модуль квадратного или линейного исполнения с белым свечением, что делает такой тип популярным в прожекторах и фонарях, используемых в уличном освещении.
- Filаmеnt – стержневой вариант, достигающий в длину четверти метра и состоящий их очень большого количества кристаллов. Филаментный тип особенно популярен в производстве нитевидных светильников на 220В.
- Дисплейного типа OLED-светодиоды, отличающиеся очень характерным тонкопленочным и органическим строением.
Не менее популярны светодиоды, которые используются в изготовлении ДУ-пульта, а также ламп медицинского или косметического назначения.
Таким образом, вне зависимости от типовых особенностей, основные узлы светодиодной лампы представлены цокольной частью, встроенным драйвером или стабилизатором тока, корпусом-рассеивателем, а также непосредственно светоизлучающими диодами.
Ремонт драйвера
Прежде всего прозвони предохранитель, если он есть. Прибор должен показать нулевое сопротивление. Сделать это можно, не выпаивая предохранитель из платы. Прибор показал бесконечно большое сопротивление? Замени предохранитель и включи лампу в сеть для проверки. Светится? Ремонт окончен. Если же предохранитель в порядке, продолжаем ремонт. Проверь диодный мост. Как это сделать, ты можешь подробно узнать здесь.
Диодный мост рабочий? Тогда выпаивай сглаживающий электролитический конденсатор и прозвони его. Если конденсатор исправен, то в начальный момент прозвонки мультиметр покажет маленькое сопротивление, которое будет на глазах расти, пока не уйдет в бесконечность.
Если драйвер простой, как часто случается, то все эти манипуляции обязательно приведут к успеху и окончанию ремонта. Если драйвер сложнее, то все, что ты можешь сделать, это прозвонить остальные электролитические конденсаторы и диоды. Конденсаторы легче выпаять полностью, у диода можно выпаять лишь один вывод. Чтобы он потерял контакт с платой, прибор достаточно приподнять иголкой или пинцетом.
Если и тут все в порядке, то, увы, для дальнейшего более сложного ремонта придется воспользоваться помощью квалифицированного электронщика.




































