Проверка симистора мультиметром
Схема подключения для проверки аналогичная. Можно использовать лампу накаливания или мультиметр с широким диапазоном измерений в режиме омметра. После прохождения тестов при одной полярности, переключаем щупы тестера на полярность обратную.
Исправный симистор должен показать весьма похожие результаты проверки. Необходимо проверить открытие и удержание p-n перехода в обоих направлениях по всей шкале пределов измерения мультиметра.
Если радиодеталь, нуждающаяся в проверке, находится на монтажной плате – нет необходимости ее выпаивать для теста. Достаточно освободить управляющий вывод
Важно! Не забудьте предварительно обесточить проверяемый электроприбор
В заключении смотрите видео: Как проверить тиристор мультиметром.
Не пытайтесь самостоятельно менять симистор в стиральной машинке , так как ремонт электроники в бытовой технике, выполненный не профессионалами редко заканчивается хорошо. Предоставьте это специалистам по ремонту стиральных машин в вашем городе. Стоимость ремонта варьируется от 600 рублей.
Стиральная машина – это довольно сложный бытовой прибор, который состоит из множества деталей. Как и другая домашняя техника, она может запросто выйти из строя. Если возникает поломка стиральной машины, определить причину ее неработоспособности бывает весьма непросто. При этом лишь часть деталей подлежит ремонту. Остальные гораздо проще заменить новыми.
Читать также: Схемы на тл431 своими руками
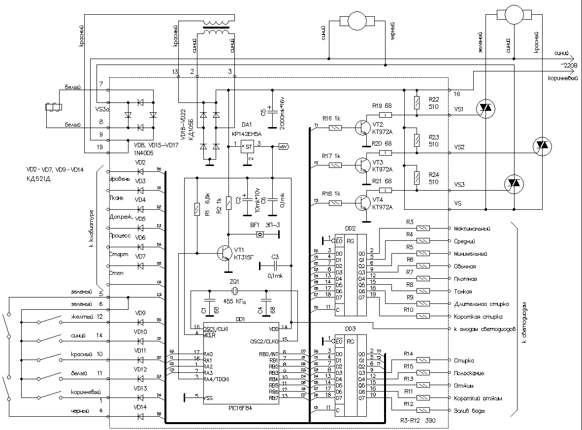
Например, если окажется, что сгорел симистор в стиральной машине, велика вероятность, что его придется поменять. Симистор управляет напряжением электропитания мотора, а также принимает и обрабатывает импульсы, исходящие от тахогенератора. Без этого электронного компонента нормальная работа стиральной машины становится невозможна. Симистор может располагаться в разных местах, в зависимости от модели техники, но его точное местоположение обычно указано в инструкции к стиральной машине.
Вызов мастера: что нужно знать?
Если решить проблему с неработающей стиральной машиной Candy своими силами нет возможности, следует вызвать мастера. Для этого стоит обратиться в компанию, которая занимается ремонтом стиральной техники и работает на рынке не первый год.
Стоимость ремонта зависит от ценовой политики фирмы и сложности ремонтных работ. Для столицы средние расценки следующие:
- замена жгута электропроводки – около 2000 рублей;
- ремонт управляющего модуля – от 2000 рублей;
- замена устройства блокирования люка – от 1500 рублей;
- замена кнопки включения стиралки – от 1000 рублей.
После проведенного ремонта мастер выполняет тестовый запуск стиралки и выписывает гарантию на проведенные им работы. Если для восстановления функциональности необходимы были новые детали, их стоимость оплачивается отдельно.
Электронные модули стиральных машин BEKO
Микросхема в рассматриваемом ИИП включена по схеме ключевого понижающего преобразователя часта переключения составляет 60 кГц. К примеру, ремонт стиральной машины Индезит своими руками может сводиться к протирке модуля и тщательному высушиванию платы.
Сначала отключите стиралку от сети, затем поступите так: Вытащите лоток-дозатор для моющих средств.
Если сопротивление было нарушено, то следует перепаять резисторы.
Можем скооперироваться. Сервисные центры всеми силами стараются признать такой случай поломки не гарантийным. Обращаться с техникой максимально аккуратно. Для оценки работы триггера нужно замерить уровень напряжения на его выходных контактах.
Модуль формирования команд Используется для приема команд узлов, которые задают режим работы стиралки таймер, дополнительные функциональные кнопки , преобразование и передачу сигналов на входы микроконтроллера U1. В заключении Далеко не каждая хозяйка имеет желание изучать электрическую схему стиральной машины. Если резко оборвать провод, может произойти скачок напряжения, что повлияет на работу модуля. Машинка перейдет в режим самодиагностики.
Ибо в статье написано «продолжение следует Однако принцип подключения к сети мало чем отличается, как и модели других марок, техника Самсунг не защищена от скачков напряжения, несмотря на то, что в комплектации присутствует конденсатор.
Нужно, в зависимости от модели, снять переднюю панель или добраться до места установки, демонтировав верхнюю часть машинки. За обозначенный период белье, находящееся в баке, пропитывается водой. Некоторые современные модели имеют режим самотестирования, который позволяет определить, какой именно ремонт электронных модулей стиральных машин требуется. В свою очередь, на общей шине объединены плюсы каналов 5 и 24 В ИИП. Придется тестировать параметры элементов, проверять целостность цепей.
К примеру: Сбой датчиков установки программы. К другим причинам относится избыточный нагар, наличие токопроводящих испражнений домашних вредителей тараканов, мышей , а также замыкания через тело насекомых или грызунов.
Принцип работы стиральной машины
Начинаем разбирать
Прежде чем приступать к манипуляциям с автоматом, будет нелишним узнать, как устроена вертикальная стиральная машина. Это поможет вам лучше ориентироваться внутри корпуса, ясно понимать, как называется та или иная деталь. Разборка вертикалок именитых брендов, таких как Bosh, Whirlpool и прочих фирм, осуществляется одинаково. Конечно, могут быть небольшие отличия, но основной алгоритм производимых действий будет неизменным.
- Выкрутите крепежные элементы, расположенные по бокам, после подденьте отверткой главную панель управления и аккуратно отсоедините её.
- Слегка отклоните панель в сторону и сфотографируйте, как подсоединена проводка. После этого можно отсоединить и убрать узел.
- Произведите демонтаж платы, для этого снимите оставшиеся провода и открутите болты.
- Открепите заливной клапан, для этого слегка расслабьте хомуты и отсоедините резиновые патрубки, выключите питание и надавите на специальные отверстия. Эти манипуляции позволят выдавить деталь.
- Открутите саморезы, придерживающие боковые панели. Немного сдвиньте их к низу и аккуратно снимите.
Выкрутите болты, удерживающие переднюю стенку, уберите панель в сторону.
В большинстве случаев на этом этапе можно заменить поврежденную деталь самостоятельно и собрать вертикальную машинку обратно. В очень редких случаях, когда из строя выходит фиксатор, отвечающий за удерживание дверцы после закрытия, придется разбирать автомат далее:
- поднимите крышку, открутите саморезы, которые её удерживают, и снимите часть;
- верхняя крышка стиралки будет крепиться несколькими болтами, расположенными под уплотнительной манжетой. Необходимо открутить крепежные элементы и снять крышку.
Таким образом, вы получите свободный доступ к манжете СМА и устройству блокировки дверцы. Учтите, что бак «вертикалок», в отличие от машин с фронтальным типом загрузки, не извлекается из корпуса. Поэтому, при замене подшипников барабана или сальника необходимо убрать противовесы и пружины, и производить замену деталей.

Разбор вертикальной стиралки завершен, как вы видите, осуществить работы своими руками не так уж сложно. Когда вышедшие из строя элементы автомата будут заменены, необходимо осуществить сборку машинки в обратном порядке. Если в процессе работ были сделаны снимки – лучше ориентироваться на фотографии. Внимательно следите за правильным подключением проводки, неверно подсоединенные провода могут вызвать короткое замыкание в сети.
Как самостоятельно отремонтировать модуль управления стиральной машины
Платы управления стиральных машин называются модулями. Указанные элементы производятся с тиристорным блоками разной частоты. В данном случае многое зависит от производителя. Также следует учитывать функциональные особенности моделей. Некоторые модификации производятся с не большим набором режимов, и по устройству являются простыми. Современные аналоги имеют качественный тиристорный блок.
Конденсаторы у моделей последних серий производятся с фильтрами сеточного типа. Таким образом, плата управления стиральной машины надежно защищена от перегрузок сети, а также импульсных помех. При необходимости ремонт модуля можно сделать своими руками
Однако в первую очередь важно разобраться с вероятными причинами поломки платы управления
Замена элементов на плате управления
Мы подскажем, как можно заменить некоторые элементы. Для этого вам понадобится паяльник и новая деталь.
Конденсатор. На плате управления он служит своеобразным стабилизатором. Для его замены вам нужно припаять новую деталь к положительному электроду. Чтобы узнать, где какой электрод находится, применяйте тестер.
- Резистор. Чтобы проверить работу резистора, используется тестер. Резисторы 1-ого порядка должны показать результат, равный 8 Ом, и перегрузку 2А. Резисторы второго порядка показывают 3-5А, при этом показатели сопротивления зависят от частотности модуля. Если показатели не соответствуют норме, производится замена элементов – методом пайки.
- Тиристорный блок. Проверить тиристорный блок можно, измерив отрицательное сопротивление. Показатели должны быть не выше 20В. Также мог перегореть фильтр блока. Выполнить его ремонт можно, зачистив катод.
- Триггер. Проверка триггера заключается в измерении напряжения входных контактов. Их показатели не должны превышать 12 В. Сопротивление фильтра триггера должно составлять 20 Ом. Замена элемента проводится также методом пайки.
Пайка компонентов платы может нарушаться в результате сильных вибраций машины. Поэтому нужно следить за правильной и стабильной установкой стиралки.
Как правильно отремонтировать плату управления, знает мастер. Подумайте, прежде чем начинать самостоятельный ремонт, ведь электронный блок стоит довольно дорого. Если у вас нет навыков работы с паяльником, а показатели проверки не дают конкретных результатов – обращайтесь в сервисный центр.
Для тех, кто все-таки решился на самостоятельный ремонт, видео по теме:
Канди не греет воду
Причиной того, что стиральный автомат стал «с прохладой» относиться к своим обязанностям, в большинстве случаев является поломка ТЭНа (код ошибки «Е05» либо индикатор мигает 16 раз через каждые 5 сек).
Он может просто перегореть от выработки ресурса, как лампочка, а может «приказать долго жить» преждевременно – из-за толстого слоя накипи.
Манипуляции с нагревателем производят в таком порядке:
- Открутив соответствующие шурупы, снимите заднюю стенку.
- Найдите торчащий из нижней части бака хвостовик нагревателя (к нему подведены два провода).
- Определите при помощи мультиметра сопротивление ТЭНа. Если он годен, прибор покажет 20 – 30 Ом, если перегорел – «бесконечность».
- Если ТЭН неисправен, открутите удерживающую его гайку (между контактами) и аккуратно извлеките из бака. Если прикипел – мягко ударьте пару раз обрезиненным молотком (или обычным — по приложенному деревянному бруску).
- Перед установкой нового ТЭНа внутреннюю поверхность бака вокруг отверстия нужно очистить от накипи.
Чтобы убедиться в работоспособности ТЭНа, достаточно включить машину на нагрев и посмотреть на электросчетчик – скорость вращения диска или частота мигания индикатора должны резко увеличиться.
Менее распространенная причина – выход из строя температурного датчика (Е05 или 5 миганий). Для проверки сначала замеряют его сопротивление при комнатной температуре, затем – после нагрева горячей водой. У нерабочего элемента сопротивление останется постоянным.
Стиральные машины Indesit получили распространение ввиду их доступной стоимости. Агрегат качественный, но любая техника не застрахована от поломок. Стиральная машина Индезит — неисправности и ремонт своими руками.
Основные проблемы, связанные с подключением стиральной машины, рассмотрим здесь.
Если в ванной не хватает места, то стиральную машину приходится устанавливать на кухне. В этой теме https://aquacomm.ru/cancliz/mnogokvartirnyie-doma/santehnika/kak-podklyuchit-stiralnuyu-mashinku-na-kuhne.html вы найдете советы по подключению прибора для новичков и опытных.
Вызов мастера и цена работы
Не имея навыков ремонта бытовой техники лучше доверить замену подшипника квалифицированному мастеру. Но этот вариант связан с определенными рисками.
Во-первых, мастер может в процессе что-нибудь повредить, если его квалификация не достаточно высокая. Во-вторых, его услуги могут оказаться слишком дорогими. В-третьих, он может незаметно поменять какую-либо «родную» деталь машины на низкокачественный дешевый аналог.
Чтобы обезопасить себя от всего этого необходимо вызывать мастера из известной, хорошо зарекомендовавшей себя компании. Или воспользоваться рекомендациями знакомых.
Окончательную сумму услуги нужно оговаривать еще до начала работы мастера. И во время процесса замены детали желательно находиться рядом.
Стоимость такого ремонта зависит от уровня мастера, включения дополнительных услуг (диагностика, замена других деталей и т. д.) В разных городах цены могут существенно отличаться. В среднем замена подшипника стоит от 1 до 3 тысяч рублей.
Сгорела плата стиральной машины — ремонтировать или менять на новую
Замена всегда надёжней, чем ремонт, но и существенней бьёт по карману, поскольку модуль управления — одна из самых дорогих запчастей стиральных машин. Есть и ещё один нюанс. Для редких марок (например, General Electric, Kuppersbusch, Hoover и др.) новые блоки в России не продаются, их нужно заказывать за рубежом и ждать по несколько месяцев. В такой ситуации ремонт электронного модуля — единственно возможный вариант. Прожить без машинки 1-2 месяца для большинства клиентов физически невозможно.

Платы СМА редких марок мы успешно ремонтируем. Прайс-лист на услуги смотрите на странице «Сколько стоит отремонтировать модуль управления стиральной машины».
Пути решения проблемы
Диагностика состояния стиральной машины Канди, которая не сливает, чаще всего требует частичной разборки корпуса, но некоторые проблемы можно устранить самостоятельно, не вызывая мастера. Если вам нужно разобрать корпус, первым делом нужно слить воду из бака, выключить питание стиральной машины и вынуть вилку из розетки.
Засорилась канализация
Забитая канализация в квартире может помешать стиральной машине Канди слить воду. Вы можете проверить, так ли это, отсоединив сливной шланг от того места, где он вставлен в шланг, и бросив его свободный конец в раковину или ванну.
Если из устройства начинает течь вода, значит, проблема именно в засоре канализационной системы. Решить проблему поможет чистка труб в квартире. Сделать это можно самостоятельно или позвонив сантехнику.
Сливной шланг
Проверьте сливной шланг по всей длине. В случае защемления, например, из-за близко расположенной мебели или изгиба, препятствующего протеканию воды, шланг необходимо отсоединить и выпрямить. В случае значительной деформации поверхности трубы или протечек деталь заменяют на новую.
Если шланг засорился, необходимо будет частично разобрать корпус стиральной машины, чтобы снять его.
Сливной фильтр

Сливной фильтр – это сборка, требующая регулярной очистки. Назначение детали – улавливать и удерживать мелкий мусор, попавший в барабан и из него в бак стиральной машины.
Это могут быть пуговицы, фрагменты ниток, ворсы одежды, пуговицы и т.д. Если фильтр долгое время не чистился или стирались вещи с флисом, катушками, ворсом, возможно, деталь засорилась.
В этом случае оттока воды не будет или она будет очень слабой. Решив открыть фильтр стиральной машины, который не стекал воду, нужно быть готовым к тому, что вся жидкость в баке выльется на пол. Чтобы предотвратить наводнение, необходимо заранее подготовить низкие емкости и тряпки.
Фильтр медленно откручивается, попутно собирая проточную воду. После того, как деталь снята, ее чистят и моют
Установите фильтр очень осторожно, чтобы не сломать уплотнение. Во время плановой очистки из фильтра выливается небольшое количество воды
Засор патрубка слива
Соединение в стиральной машине соединяет бак и насос. Его засорение может быть связано с попаданием в барабан предметов с большим количеством пуха, перьев, пуха и различных наполнителей теплых курток или подушек.
Такая ситуация может возникнуть, если, например, порвалась подкладка куртки и в майку попал холлофайбер или ворс. К форсунке можно добраться, частично разобрав стиральную машину. Доступ также возможен с нижней стороны.
Как выполнить работу – на видео:
Поломка помпы
Сливной насос – это агрегат, который участвует в процессе слива воды из бака. Рабочее колесо – это часть насоса, которая подвержена блокировкам и выходу из строя при попадании посторонних предметов. Износ из-за длительной эксплуатации также может привести к сбоям во время эксплуатации. При поломке какой-либо детали насос заменяют.
Как заменить помпу в стиральной машине Канди – на видео:
Сбой в работе прессостата
Прессостат – датчик для определения уровня воды в баке. Если этот узел выходит из строя, в модуль управления передается ненадежная информация, и он может не получить команду промывки.
Сбой в электроцепи
Стиральная машина управляется через блок управления – плату, которая соединена электрическими проводами с отдельными узлами и передает / принимает сигналы. Если есть неисправность в проводке, сигналы не проходят должным образом. В результате возможны различные неисправности, в том числе и отсутствие слива.
Чтобы убедиться в исправности проводки, вскрывают корпус стиральной машины Канди и осматривают проводку на предмет обрывов и сгоревших участков. Также необходимо осмотреть клеммы.
В случае окисления или выхода из строя контакта дефект необходимо устранить. Поврежденные провода ремонтируют, при необходимости заменяют всю цепь.
Неисправность модуля управления

Модуль управления стиральной машиной Канди может некорректно работать из-за случайного скачка напряжения в сети или при перегорании элементов платы.
Если отключение связано с повышением напряжения и / или отключением электроэнергии устройства, будет полезен перезапуск.
Для этого стиральную машину отключают от электросети (вытаскивают вилку из розетки), а через 20-30 минут снова подключают. В этом случае слив следует отрегулировать. Если у вас нет опыта работы с электронным наполнением стиральной машины, лучше доверить ремонт специалисту.
Коды ошибок стиральных машин Candy
Множество современных моделей стиральных машин Candy (Канди) отображают код ошибки в случае появления неисправности и сбоя в работе. При этом некоторые варианты имеют дисплей, а некоторые отображают коды посредством индикации (вспышек). Для удобства, материалы сведены в таблицу. Довольно часто, понимая, что означает код ошибки, пользователь сам в состоянии устранить неисправность или поломку, не прибегая к помощи сервиса. Представляем перечисление ошибок стиральных машин Candy (в том числе Activa и Aquamatic) с расшифровкой каждого конкретного кода. Так же в таблицу включены описания, причины возникновения и возможные способы устранения неисправностей. Ниже представлены две таблицы с кодами ошибок стиральных машин Candy.
Код ошибки
Ошибка блокировки люкаЛюк дверцы не блокируется, индикаторы подсветки кнопок не загораются
1. Неисправно блокировочное устройство дверцы люка или электронный контроллер.
Ошибка залива водыа) в бак не заливается водаб) уровень воды в баке спустя 210 с не достигает номинального уровняв) уровень воды в баке выше номинального
1. Неисправен клапан залива воды.2. Неисправен электронный контроллер.3. Засорена сетка клапана залива воды.4. Неисправен прессостат или нарушена герметичность его патрубков.
Отсутствует слив воды из бака или превышено время слива воды (более 3 минут)
1. Неисправен насос слива воды или нарушен контакт в его соединениях.2. Неисправен прессостат («залипла» его контактная группа «ПОЛНЫЙ БАК»);3. Если превышено время слива воды из бака, может быть засорен тракт слива воды (фильтр насоса, сливной шланг или сильфон).
Ошибка заливного клапанаУровень воды в баке выше номинального уровня. Прессостат формирует сигнал «ПЕРЕПОЛНЕНИЕ БАКА». Через 210с отображается код ошибки
1. Неисправны клапан залива воды (постоянно открыт) или электронный контроллер (его соответствующий управляющий симистор).
Отсутствует нагрев водыНа дисплее сразу отображантся код ошибки
1. Неисправен датчик температуры. Его сопротивление должно быть около 20 кОм (при температуре 25°С) и 2,14кОм (при 85°С).2. Неисправны ТЭН или электронный контроллер.3. Проверяют исправность мотора селектора программ. Рабочее напряжение мотора 220 В, а сопротивление его обмотки приблизительно 15 кОм. Также в этом случае проверяют целостность соединений между блоками управления и индикации.
Резкое, быстрое вращение двигателяВыполняются 3 попытки пуска приводного мотора с максимальной скоростью. После этого выполнение программы стирки прекращается и отображается код ошибки
1. Неисправен тахогенератор. Сопротивление его обмотки должно быть около 42 Ом (для моторов CEZET) или 156 Ом (HOOVER). Часто подобный дефект возникает из-за разрушения сердечника тахогенератора.
Ошибка двигателя (мотора)Вал приводного мотора не вращается, высвечивается код ошибки, но выполнение автотеста не прекращается
Неисправен модуль управления, сбой программы модуля управления.
Неисправно устройство блокировки люка или его соединения.
Залив воды не закончился за установленный лимит времени. Закрыт кран залива, неисправен клапан залива, прессостат, пережат шланг залива или низкое давление воды в сети.
Слив воды не закончился за установленный лимит времени. Засор сливного фильтра или шланга, неисправен сливной насос или его соединения.
Сработал аварийный уровень прессостата (защита от протечек). Клапан залива не закрывается, неисправен прессостат или его соединения.
Датчик температуры NTC оборван или короткозамкнут.
Ошибка памяти EEPROM, неисправность модуля управления или его соединений.
(MDL) заблокирован приводной мотор.
(INVENSYS) заело в закрытом состоянии устройство блокировки люка.
Тахогенератор двигателя оборван или короткозамкнут.
Неисправность симистора приводного двигателя.
Потеря связи между модулем управления и индикации. Неисправность соединений.
Потеря связи между модулем управления и индикации. Неисправность соединений.
(MDL) неисправен модуль управления или его соединения.
Неисправен модуль управления, сбой программы модуля управления.
Короткое замыкание ТЭН, повреждение изоляции.
Некорректный сигнал с тахогенератора.
Неисправен модуль управления, некорректные параметры питающей электрической сети.
Как отремонтировать?
Если срок гарантии стиральной машинки Индезит истек, ремонтом платы управления придется заниматься за свой счет. Это тонкая работа, выполнить которую самостоятельно удастся лишь при условии, что у человека имеются знания в сфере электроники.
Как разобрать прибор?
В современных машинках Индезит с вертикальной загрузкой модуль управления располагается в верхней части, под панелью. Чтобы добраться до него, потребуется демонтировать крышку. Сделать это несложно. Достаточно открутить болты, расположенные на задней стенке прибора.

У машинок с горизонтальной загрузкой плата располагается в левом нижнем углу, если смотреть на нее сзади. Чтобы добраться до нее, придется открутить не только заднюю и верхнюю стенку, но и снять люк, который крепится на 6 саморезах.
Удобнее всего добираться до платы, если аккуратно уложить прибор набок (на ту сторону, с которой расположен лоток для порошка). Только после этого удастся отсоединить все провода и извлечь плату.
Перед началом работы машинку нужно обесточить и перекрыть клапан подачи воды. Только после этого можно приступать к демонтажу. Как снять крышку, подскажет эта статья.
Как снять и провести диагностику блока?
Прежде чем снять плату, нужно сфотографировать способ ее соединения с различными проводами. Это делается для того, чтобы в процессе обратной сборки не допустить ошибку.
Определить, в каком именно месте располагается дефект, сложно, если только элементы не подверглись выгоранию. Иногда нарушается пайка диодов и иных мелких элементов.
Для диагностики и ремонта потребуются следующие инструменты и приспособления:
- мультиметр;
- паяльник;
- олово;
- канифоль;
- припой.
Хорошо, если под рукой будет схема блока управления конкретной модели стиральной машинки Индезит.
Ремонтные работы
Самостоятельно можно отремонтировать следующие элементы:
Конденсаторы. Он отвечают за стабилизацию напряжения. На то, что какой-то из них вышел из строя, будет указывать его вздутие. Если все конденсаторы имеют нормальные размеры, необходимо прозвонить их мультиметром (1 – произошел обрыв, 0 – короткое замыкание). При обнаружении вышедшего из строя элемента, его меняют.
- Резисторы. Различают резисторы с сопротивлением 8Ом и до 2А (первый порядок) и с сопротивлением 10 Ом и 5 А (второй порядок). Если при диагностике будет обнаружено, что эти данные не соответствуют необходимым значениями, резисторы меняют.
- Тиристорный коммутатор. Чаще всего он ломается при резком перепаде напряжения. К его диагностике приступают только после проверки всех конденсаторов. Сначала прозванивают диоды первого порядка (в норме напряжение не должно превышать 20 Вт). На фильтре напряжение не должно превышать 12 вольт.
- Триггер. Его напряжение должно составлять около 12 Вт, а сопротивление – около 20 Ом.
- Прошивка платы. Для выполнения работы потребуется адаптер-программатор, с помощью которого удастся получить доступ к программному обеспечению модуля. Стоит профессиональный программатор около 3000 рублей, более простая версия обойдется в 500 рублей. Также потребуется фирменный софт Индезит и драйвера. Их можно найти на официальном сайте ).
О ремонте электронного блока управления расскажет видео:
Замена
Если отремонтировать деталь невозможно, то придется ее заменить. Цена на нее стартует от 7500 рублей. Иногда мастера предлагают приобрести модуль управления б/у по сниженной цене. Однако совершая такую покупку, нужно понимать риски.
Деталь, проработавшая несколько лет в другом приборе, может выйти из строя в любой момент. Вернуть ее по гарантии не удастся.
Новые платы продаются в обычных и онлайн магазинах. Приобретать нужно деталь, которая соответствует модели стиральной машины. Когда новая плата будет куплена, ее нужно установить. Делается это по схеме демонтажа старой детали, но в обратном порядке. На этом этапе ремонта могут пригодиться фотографии, сделанные в процессе разбора стиральной машины.
После того, как плата будет установлена на место, а машинка собрана, проверяют ее работоспособность. Для этого прибор включают в сеть и запускают 15-минутный цикл стирки вхолостую. Если техника выполняет все команды, ремонт можно считать успешно завершенным.


































